Компактный и практичный канализационный насос SANIDOUCHE для откачивания стоков из душевых кабин с поддоном от 12 см и подключение умывальника и биде. Позволяет быстро перенести канализацию душевой в любое место помещения, в том числе в подвал.
Гарантия - 3 года.
Производитель – SFA Group, Франция.Насосы для душа купить
SANIDOUCHE прост в монтаже и использовании, экономичен и безопасен. Насос включается автоматически. Прибор начинает работать и откачивать стоки. Это расстояние может быть достаточно большим, до 40 метров по горизонтали и до 4 метров по вертикали, что дает вам возможность оборудовать этим прибором душевую кабину в любом месте дома, даже в подвале.
ПРЕИМУЩЕСТВА:
ООО «ТМ МЕНЕДЖМЕНТ» предлагает выгодные условия покупки канализационной установки для душа. Наличие на складе, быстрая доставка и специальные условия для организаций и монтажников. Звоните, специалисты отдела насосного оборудования подберут подходящий вариант: +375 (29) 77-55-427
СКАЧАТЬ БРОШЮРУ:ТЕХНИЧЕСКИЕ ХАРАКТЕРИСТИКИ:
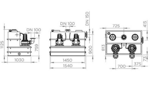
Характеристики
Sanicubic 2 SC
3.0 T
4.0 T
5.5 T
7.5 T
Максимальная высота, м
10
13
18
22
Максимальный объем, м?/ч
120
140
160
165
Диаметр входной, мм
150
Диаметр отводящей магистрали, мм
100
Диаметр вентиляционного отверстия, мм
100
Объем бака, л
1000
Уровень срабатывания, мм
270
Объем полезный, л
500
Свободный проход, мм
80
Максимальная температура стоков
55°C (5 мин.)
Габариты, мм
1540 x 1030 x 1125
Вес брутто, кг
370
385
400
425
КНС канализационные насосные
Канализационные насосные станции SFA - идеальное решение для расширения санузлов и туалетов в тех случаях, когда существующие средства по удалению сточных вод с недостаточной подачей воды не справляются с ситуацией. Насосные установки предназначены для откачивания сточных вод, находящихся ниже уровня канализационной системы, в зданиях и канализационном оборудовании любого размера.
КНС устанавливаются ниже уровня канализационной системы в подвалах крупных многоквартирных домов, общественных и коммерческих зданий, жилых домов, школ, офисные зданий, гостиниц, ресторанов, больниц и промышленных предприятий.

