Канализационный насос откачивания грязных стоков SANISPEED подходит для подключения, раковины, душа, ванны, стиральной и посудомоечной машин. Унитаз к данному насосу не подключается, так как он не оснащен измельчителем.
SANISPEED идеален для кофеен, баров, небольших кафе, парикмахерских, салонов красоты. Отличается надежностью, простотой установки, практичностью. Модель компактного размера и возможно разместить его в кухонном шкафу или под мойкой.
Гарантия - 3 года.
Производитель – SFA Group, Франция. SANISPEED - это простое и эффективное решение для оборудования комфортабельной кухни, прачечной или ванной комнаты в любом удобном для вас месте. ПРЕИМУЩЕСТВА:
ООО «ТМ МЕНЕДЖМЕНТ» предлагает выгодные условия покупки канализационной насосной установки. Наличие на складе, быстрая доставка и специальные условия для организаций и монтажников. Звоните, специалисты отдела насосного оборудования подберут подходящий вариант: +375 (29) 77-55-427Насос на кухню SFA
ТЕХНИЧЕСКИЕ ХАРАКТЕРИСТИКИ:
Характеристики
Sanicubic 2 GR
SE71.1 T
SE71.2 T
SE71.3 T
SE71.4 T
Максимальная высота, м
22
25
35
39
Максимальный объем, м?/ч
17
Диаметр входной, мм
50, 150
Диаметр отводящей магистрали, мм
50
Диаметр вентиляционного отверстия, мм
75
Объем бака, л
150
Уровень срабатывания, мм
140-250/30
Аварийный уровень, мм
180-290
Максимальная температура стоков
55°C (5 мин.)
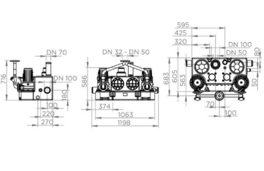
Габариты, мм
1198 x 766 x 586
Вес брутто, кг
137
137
144
144
КНС канализационная станция
Канализационные насосные станции SFA - идеальное решение для расширения санузлов и туалетов в тех случаях, когда существующие средства по удалению сточных вод с недостаточной подачей воды не справляются с ситуацией. Насосные установки предназначены для откачивания сточных вод, находящихся ниже уровня канализационной системы, в зданиях и канализационном оборудовании любого размера.
КНС устанавливаются ниже уровня канализационной системы в подвалах крупных многоквартирных домов, общественных и коммерческих зданий, жилых домов, школ, офисные зданий, гостиниц, ресторанов, больниц и промышленных предприятий.

