Надежный санитарный насос SANICOM 2 для отведения грязных стоков. Без системы измельчения. К данному насосу ПОДКЛЮЧЕНИЕ УНИТАЗА НЕ ДОПУСКАЕТСЯ!
Отлично подходит для перекачивания стоков больших объемных расходов от профессиональной кухни или прачечной. Подойдет как для частных жилых объектов (дома, дачи), так и для общественных мест (кафе, рестораны, прачечные, салоны красоты, фитнес-центры).
Возможность перекачивания высокотемпературных стоков до 90°С.
Гарантия - 3 года.
Производитель – SFA Group, Франция.Канализационная установка цены
SANICOM 2 оснащен двумя двигателями повышенной мощности 1500 Вт, которые позволяет откачивать стоки на расстояние до 110 метров по горизонтали и до 11 — по вертикали. Если стационарная канализация находится далеко или отсутствует, то установка этой модели санитарного насоса от SFA позволит быстро и легко оборудовать комфортабельную прачечную, ванную или кухню в любом месте.
ПРЕИМУЩЕСТВА:
ООО «ТМ МЕНЕДЖМЕНТ» предлагает выгодные условия покупки канализационной установки. Наличие на складе, быстрая доставка и специальные условия для организаций и монтажников. Звоните, специалисты отдела насосного оборудования подберут подходящий вариант: +375 (29) 77-55-427
СКАЧАТЬ БРОШЮРУ:ТЕХНИЧЕСКИЕ ХАРАКТЕРИСТИКИ:
Характеристики
Sanicubic 1 SC
3.0 T
4.0 T
5.5 T
7.5 T
Максимальная высота, м
10
13
18
22
Максимальный объем, м?/ч
120
140
160
165
Диаметр входной, мм
150
Диаметр отводящей магистрали, мм
100
Диаметр вентиляционного отверстия, мм
100
Объем бака, л
480
Уровень срабатывания, мм
270
Аварийный уровень, мм
270
Максимальная температура стоков
55°C (5 мин.)
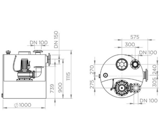
Габариты, мм
1000 x 1115
Вес брутто, кг
210
220
225
240
Насос КНС
Канализационные насосные станции SFA - идеальное решение для расширения санузлов и туалетов в тех случаях, когда существующие средства по удалению сточных вод с недостаточной подачей воды не справляются с ситуацией. Насосные установки предназначены для откачивания сточных вод, находящихся ниже уровня канализационной системы, в зданиях и канализационном оборудовании любого размера.
КНС устанавливаются ниже уровня канализационной системы в подвалах крупных многоквартирных домов, общественных и коммерческих зданий, жилых домов, школ, офисные зданий, гостиниц, ресторанов, больниц и промышленных предприятий.

